TECHNOLOGIES

彈簧計算公式

彈簧機的送線系統
彈簧計算公式

研發人員或工程師設計產品之初,對於所須彈簧的力值不甚了解,可透過公式演算,迅速獲得答案。我們提供壓簧、拉簧、扭簧的計算公式, 簡單輸入材料、線徑、外徑、有效圈數等幾個數值,即可得知力值。

計算公式得出的結果具有一定的參考價值,但是,當產品的應用有差異時,彈簧就需依其特性做調整,在材質、線徑上做改變,我們具有數十年的彈簧製造經驗,可以提供您專業的建議,歡迎隨時與我們聯絡與接洽。

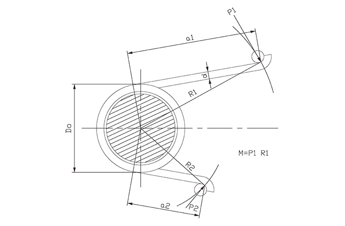
扭力彈簧(圓線)計算公式

依照您所輸入的條件可獲得以下數值

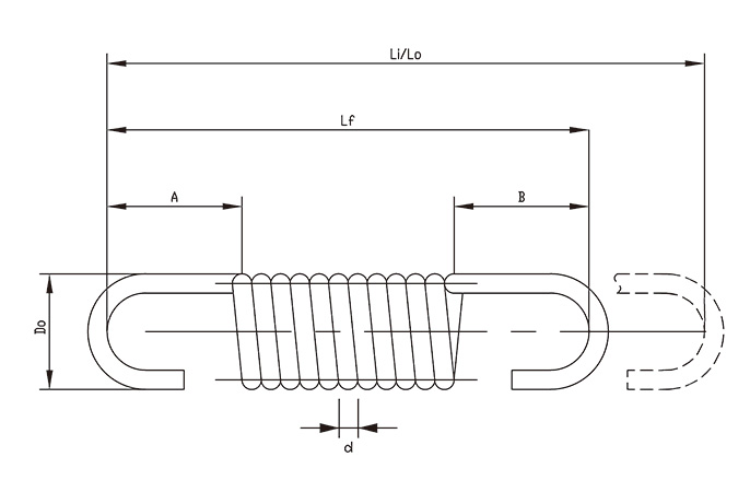
拉簧彈簧計算公式

依照您所輸入的條件可獲得以下數值

壓縮彈簧(端部整平未輪磨)計算公式

依照您所輸入的條件可獲得以下數值

>
>